Каталог продукции
Цена:
по запросу
Информация о товаре обновлена 01 февраля 2026 года.
Цена и сроки поставки зависят от запрашиваемого количества.
Актуальную информацию уточняйте в нашем отделе продаж.
Информация о товаре обновлена 01 февраля 2026 года.
Цена и сроки поставки зависят от запрашиваемого количества.
Актуальную информацию уточняйте в нашем отделе продаж.
Технические характеристики
Конденсатор оксидно-электролитический алюминиевый К50-68
Также это изделие может называться: К5068, К50 68, k50-68, k50 68, k5068.
К50-68 конденсатор оксидно-электролитический алюминиевый предназначен для работы в цепях постоянного, пульсирующего токов и в импульсном режиме.
Технические характеристики К50-68:
Номинальное напряжение - от 6,3 В до 450 В.
Номинальная емкость - от 1 мкФ до 15 000 мкФ.
Допускаемое отклонение емкости при температуре +25º C и частоте 50 Гц - от +50% до -10%; ±20%.
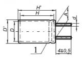
Полное сопротивление, габаритные размеры и масса конденсаторов К50-68:
| Номинальное напряжение | Номинальная емкость | Сопротивление | Габаритные размеры | Масса |
| 6,3 В | 6,2 Ом | 5×11 мм | 0,55 г | |
| 100 мкФ | 2,5 Ом | 6,3×12 мм | 0,8 г | |
| 220 мкФ | 1,8 Ом | 8×14 мм | 1,4 г | |
| 470 мкФ | 1,8 Ом | 10×12 мм | 2,4 г | |
| 1000 мкФ | 0,4 Ом | 12×19 мм | 4,5 г | |
| 2200 мкФ | 0,2 Ом | 14×24 мм | 7 г | |
| 4700 мкФ | 0,1 Ом | 16×30 мм | 12 г | |
| 10 000 мкФ | 0,06 Ом | 18×45 мм | 23 г | |
| 15 000 мкФ | 0,04 Ом | 21×47 мм | 33 г | |
| 16 В | 4,7 мкФ | 5 Ом | 5×11 мм | 0,55г |
| 10 мкФ | 5 Ом | - | - | |
| 22 мкФ | 5 Ом | - | - | |
| 33 мкФ | 4,8 Ом | 5×11 мм | 0,55г | |
| 47 мкФ | 4,5 Ом | 6,3×12 мм | 0,8 г | |
| 100 мкФ | 4 Ом | 8×12 мм | 1,2 г | |
| 220 мкФ | 0,8 Ом | 10×12 мм | 2,4 г | |
| 470 мкФ | 0,55 Ом | 10×18 мм | 3,1 г | |
| 1000 мкФ | 0,25 Ом | 14×19 мм | 5,5 г | |
| 2200 мкФ | 0,15 Ом | 16×25 мм | 10 г | |
| 4700 мкФ | 0,09 Ом | 18×35 мм | 17 г | |
| 10 000 мкФ | 0,06 Ом | 21×42 мм | 30 г | |
| 25 В | 22 мкФ | 4,5 Ом | 5×11 мм | 0,55 г |
| 47 мкФ | 2,2 Ом | 6,3×12 мм | 0,8 г | |
| 100 мкФ | 1,2 Ом | 8×14 мм | 1,4 г | |
| 220 мкФ | 0,8 Ом | 10×15 мм | 3 г | |
| 330 мкФ | 0,6 Ом | 12×19 мм | 4,5 г | |
| 470 мкФ | 0,3 Ом | 12×19 мм | 4,5 г | |
| 1000 мкФ | 0,15 Ом | 14×24 мм | 7 г | |
| 2200 мкФ | 0,09 Ом | 18×30 мм | 15 г | |
| 4700 мкФ | 0,06 Ом | 21×42 мм | 30 г | |
| 40 В | 22 мкФ | 4,4 Ом | 6,3×12 мм | 0,8 г |
| 47 мкФ | 2,0 Ом | 8×12 мм | 1,2 г | |
| 100 мкФ | 1 Ом | 10×12 мм | 2,4 г | |
| 220 мкФ | 0,5 Ом | 10×18 мм | 3,1 г | |
| 330 мкФ | 0,45 Ом | 14×19 мм | 5,5 г | |
| 470 мкФ | 0,25 Ом | 14×19 мм | 5,5 г | |
| 1000 мкФ | 0,15 Ом | 16×25 мм | 10 г | |
| 2200 мкФ | 0,08 Ом | 18×40 мм | 21 г | |
| 4700 мкФ | 0,05 Ом | 21×47 мм | 33 г | |
| 50 В | 2,2 мкФ | 7 Ом | - | - |
| 4,7 мкФ | 6 Ом | - | - | |
| 10 мкФ | 5,5 Ом | - | - | |
| 22 мкФ | 5,5 Ом | - | - | |
| 63 В | 10 мкФ | 5 Ом | 5×11 мм | 0,55 г |
| 22 мкФ | 3,8 Ом | 6,3×14 мм | 1 г | |
| 47 мкФ | 1 Ом | 10×12 мм | 2,4 г | |
| 100 мкФ | 0,6 Ом | 10×18 мм | 3,1 г | |
| 220 мкФ | 0,3 Ом | 14×19 мм | 5,5 г | |
| 470 мкФ | 0,2 Ом | 16×25 мм | 10 г | |
| 1000 мкФ | 0,12 Ом | 18×35 мм | 17 г | |
| 2200 мкФ | 0,06 Ом | 21×47 мм | 33 г | |
| 100 В | 2,2 мкФ | 8,8 Ом | 5×11 мм | 0,55 г |
| 3,3 мкФ | 7,6 Ом | 5×11 мм | 0,55 г | |
| 4,7 мкФ | 6,3 Ом | 6,3×12 мм | 0,8 г | |
| 10 мкФ | 4,4 Ом | 6,3×14 мм | 1,4 г | |
| 22 мкФ | 2,6 Ом | 10×12 мм | 2,4 г | |
| 47 мкФ | 1,9 Ом | 10×18 мм | 3,1 г | |
| 100 мкФ | 0,85 Ом | 14×19 мм | 5,5 г | |
| 220 мкФ | 0,6 Ом | 16×25 мм | 10 г | |
| 470 мкФ | 0,16 Ом | 18×35 мм | 17 г | |
| 1000 мкФ | 012 Ом | 21×47 мм | 33 г | |
| 160 В | 1 мкФ | 24 Ом | 5×11 мм | 0,55 г |
| 2,2 мкФ | 17,8 Ом | 6,3×14 мм | 1 г | |
| 4,7 мкФ | 13,8 Ом | 8×14 мм | 1,4 г | |
| 10 мкФ | 7,6 Ом | 10×18 мм | 3,1 г | |
| 22 мкФ | 2,6 Ом | 14×19 мм | 5,5 г | |
| 47 мкФ | 0,4 Ом | 16×25 мм | 10 г | |
| 100 мкФ | 0,32 Ом | 18×25 мм | 17 г | |
| 470 мкФ | 0,3 Ом | - | - | |
| 1000 мкФ | 0,2 Ом | - | - | |
| 250 В | 10 мкФ | 5,5 Ом | 12×16 мм | 4 г |
| 22 мкФ | 2 Ом | 14×19 мм | 5,5 г | |
| 47 мкФ | 1 Ом | 16×30 мм | 12 г | |
| 100 мкФ | 0,35 Ом | 18×45 мм | 23 г | |
| 220 мкФ | 0,3 Ом | 21×47 мм | 33 г | |
| 330 мкФ | 0,25 Ом | - | - | |
| 470 мкФ | 0,28 Ом | - | - | |
| 315 В | 10 мкФ | 6,2 Ом | 12×19 мм | 4,5 г |
| 22 мкФ | 2,8 Ом | 14×24 мм | 7 г | |
| 47 мкФ | 0,7 Ом | 18×30 мм | 15 г | |
| 100 мкФ | 0,5 Ом | 18×45 мм | 23 г | |
| 220 мкФ | 0,4 Ом | - | - | |
| 470 мкФ | 0,3 Ом | - | - | |
| 350 В | 22 мкФ | 1,8 Ом | 16×25 мм | 10 г |
| 47 мкФ | 0,7 Ом | 18×35 мм | 17 г | |
| 100 мкФ | 0,5 Ом | 21×52 мм | 35 г | |
| 220 мкФ | 0,25 Ом | - | - | |
| 400 В | 10 мкФ | 6 Ом | 14×24 мм | 7 г |
| 22 мкФ | 2,5 Ом | 16×30 мм | 12 г | |
| 33 мкФ | 1 Ом | 18×47 мм | 23 г | |
| 47 мкФ | 1 Ом | 18×47 мм | 23 г | |
| 100мкФ | 0,8 Ом | - | - | |
| 150 мкФ | 0,8 Ом | - | - | |
| 220 мкФ | 0,4 Ом | - | - | |
| 330 мкФ | 0,25 Ом | - | - | |
| 450 В | 10 мкФ | 6 Ом | 14×24 мм | 7 г |
| 22 мкФ | 2 Ом | 18×42 мм | 21 г | |
| 47 мкФ | 1,5 Ом | 18×47 мм | 25 г | |
| 100 мкФ | 0,8 Ом | - | - | |
| 220 мкФ | 0,4 Ом | - | - | |
| 330мкФ | 0,25 Ом | - | - |
Габаритные размеры и масса конденсатора с крепёжными штырями:
| Номинальное напряжение | Номинальная емкость |
Габариты | Масса |
| 160 В | 470 мкФ | 25×60 мм | 41 г |
| 1000 мкФ | 32×67 мм | 90 г | |
| 250 В | 330 мкФ | 32×50 мм | 77 г |
| 470 мкФ | 32×55 мм | 74 г | |
| 315 В | 220 мкФ | 25×55 мм | 45 г |
| 315 мкФ | 32×67 мм | 90 г | |
| 350 В | 220 мкФ | 32×45 мм | 65 г |
| 400 В | 100 мкФ | 25×50 мм | 41 г |
| 150 мкФ | 25×50 мм | 45 г | |
| 220 мкФ | 32×55 мм | 74 г | |
| 330 мкФ | 32×70 мм | 94 г | |
| 450 В | 100 мкФ | 25×55 мм | 45 г |
| 220 мкФ | 32×60 мм | 80 г | |
| 330 мкФ | 32×70 мм | 94 г |
Неполярные конденсаторы К50-68 с номинальным напряжением 16 В и емкостью от 4,7 мкФ до 22 мкФ имеют габаритные размеры и массу:
- диаметр - 6,3 мм;
- высота - 12 мм;
- масса - 0,85 г.
Габаритные размеры и масса неполярных конденсаторов с номинальным напряжением 50 В:
- с емкостью 2,2 мкФ и 4,7 мкФ - 6,3×12 мм (0,85 г);
- с емкостью 10 мкФ - 8×14 мм (1,4 г);
- с емкостью 22 мкФ - 10×12 мм (2,4 г).
Габаритные размеры и масса конденсаторов с самофиксирующимися выводами и номинальным напряжением 350 В:
- с емкостью 100 мкФ - 21×54 мм (41 г);
- с емкостью 220 мкФ - 32×45 мм (65 г).
Габаритные размеры и масса конденсаторов с самофиксирующимися выводами и номинальным напряжением 385 В:
- с емкостью 100 мкФ - 25×50 мм (45 г);
- с емкостью 220 мкФ - 32×50 мм (72 г).
Габаритные размеры и масса конденсатора К50-68 с самофиксирующимися выводами и номинальным напряжением 400 В:
- с емкостью 100 мкФ - 25×50 мм (45 г);
- с емкостью 220 мкФ - 32×50 мм (80 г).
Тангенс угла потерь на частоте 50 Гц и температуре +25º С:
- при номинальном напряжении 6,3 В - не более 40%;
- при номинальном напряжении от 16 В до 25 В - не более 30%;
- при номинальном напряжении от 40 В до 63 В - не более 20%;
- при номинальном напряжении от 100 В до 160 В - не более 15%;
- при номинальном напряжении от 250 В до 450 В - не более 10%.
Тангенс угла потерь полярных конденсаторов на частоте 50 Гц и температуре +25º С:
- при номинальном напряжении 6,3 В - не более 30%;
- при номинальном напряжении от 16 В до 25 В - не более 20%;
- при номинальном напряжении от 40 В до 63 В - не более 50%;
- при номинальном напряжении от 100 В до 160 В - не более 15%;
- при номинальном напряжении от 250 В до 450 В - не более 10%.
Тангенс угла потерь неполярных конденсаторов на частоте 50 Гц и температуре +25º С:
- при номинальном напряжении 16 В - не более 30%;
- при номинальном напряжении 50 В - не более 20%.
Наработка конденсаторов К50-68:
- в предельно-допустимом режиме при температуре +85º С - не менее 1000 ч;
- в предельно-допустимом режиме при температуре +70º С - не менее 7500 ч;
- в облегчённом режиме при температуре +55º С и при номинальном напряжении - не менее 10 000 ч;
- в облегчённом режиме при температуре +55º С и при 80% номинального напряжения - не менее 15 000 ч.
Конденсаторы К50-68 имеют интенсивность отказов - не более 5·10-8 ч.
Гамма-процентный срок сохраняемости - не менее 15 лет.
Варианты исполнения конденсаторов К50-68 в зависимости от вида приёмки:
- отдел технического контроля - К50-68 ОТК;
- особо стойкие - ОСК50-68, К50-68 ОС;
- приемка заказчика - К50-68 ПЗ;
- военная приемка - К50-68 ВП.
Условия эксплуатации:
Температура окружающего воздуха при эксплуатации - от -40° С до + 85° С.
Климатические исполнения - В; УХЛ.
Фотографии на: К50-68
Вся текстовая и графическая информация на сайте несет информативный характер. Цвет, оттенок, материал, геометрические размеры, вес, содержание, комплект поставки и другие параметры товара представленого на сайте могут изменяться в зависимости от партии производства и года изготовления. Более подробную информацию уточняйте в отделе продаж.
Ведущий интернет-магазин Западприбор - это огромный выбор измерительного оборудования по лучшему соотношению цена и качество. Чтобы Вы могли купить приборы недорого, мы проводим мониторинг цен конкурентов и всегда готовы предложить более низкую цену. Мы продаем только качественные товары по самым лучшим ценам. На нашем сайте Вы можете дешево купить как последние новинки, так и проверенные временем приборы от лучших производителей.
На сайте постоянно действует акция «Куплю по лучшей цене» - если на другом интернет-ресурсе (доска объявлений, форум, или объявление другого онлайн-сервиса) у товара, представленного на нашем сайте, меньшая цена, то мы продадим Вам его еще дешевле! Покупателям также предоставляется дополнительная скидка за оставленный отзыв или фотографии применения наших товаров.
В прайс-листе указана не вся номенклатура предлагаемой продукции. Цены на товары, не вошедшие в прайс-лист можете узнать, связавшись с менеджерами. Также у наших менеджеров Вы можете получить подробную информацию о том, как дешево и выгодно купить измерительные приборы оптом и в розницу. Телефон и электронная почта для консультаций по вопросам приобретения, доставки или получения скидки приведены возле описания товара. У нас самые квалифицированные сотрудники, качественное оборудование и выгодная цена.
Интернет магазин Западприбор - официальный дилер заводов изготовителей измерительного оборудования. Наша цель - продажа товаров высокого качества с лучшими ценовыми предложениями и сервисом для наших клиентов. Наш интернет магазинможет не только продать необходимый Вам прибор, но и предложить дополнительные услуги по его поверке, ремонту и монтажу. Чтобы у Вас остались приятные впечатления после покупки на нашем сайте, мы предусмотрели специальные гарантированные подарки к самым популярным товарам.
Вы можете оставить отзывы на приобретенный у нас прибор, измеритель, устройство, индикатор или изделие. Ваш отзыв при Вашем согласии будет опубликован на официальном сайте без указания контактной информации.
Интернет-магазин принимаем активное участие в таких процедурах как электронные торги, тендер, аукцион.
При отсутствии на официальном сайте в техническом описании необходимой Вам информации о приборе Вы всегда можете обратиться к нам за помощью. Наши квалифицированные менеджеры уточнят для Вас технические характеристики на прибор из его технической документации: инструкция по эксплуатации, паспорт, формуляр, руководство по эксплуатации, схемы. При необходимости мы сделаем фотографии интересующего вас прибора, стенда или устройства.
Описание на приборы взято с технической документации или с технической литературы. Большинство фото изделий сделаны непосредственно нашими специалистами перед отгрузкой товара. В описании устройства предоставлены основные технические характеристики приборов: номинал, диапазон измерения, класс точности, шкала, напряжение питания, габариты (размер), вес. Если на сайте Вы увидели несоответствие названия прибора (модель) техническим характеристикам, фото или прикрепленным документам - сообщите об этом нам - Вы получите полезный подарок вместе с покупаемым прибором.
При необходимости, уточнить общий вес и габариты или размер отдельной части измерителя Вы можете в нашем сервисном центре. Наши инженеры помогут подобрать полный аналог или наиболее подходящую замену на интересующий вас прибор. Все аналоги и замена будут протестированы в одной с наших лабораторий на полное соответствие Вашим требованиям.
Основная особенность нашего интернет магазина проведение объективных консультаций при выборе необходимого оборудования. У нас работают около 20 высококвалифицированных специалистов, которые готовы ответить на все ваши вопросы.
В технической документации на каждый прибор или изделие указывается информация по перечню и количеству содержания драгметаллов. В документации приводится точная масса в граммах содержания драгоценных металлов: золото Au, палладий Pd, платина Pt, серебро Ag, тантал Ta и другие металлы платиновой группы (МПГ) на единицу изделия. Данные драгметаллы находятся в природе в очень ограниченном количестве и поэтому имеют столь высокую цену. У нас на сайте Вы можете ознакомиться с техническими характеристиками приборов и получить сведения о содержании драгметаллов в приборах и радиодеталях производства СССР. Обращаем ваше внимание, что часто реальное содержание драгметаллов на 10-25% отличается от справочного в меньшую сторону! Цена драгметаллов будет зависить от их ценности и массы в граммах.
Мы предлагаем быструю международную доставку практически во все страны мира: Австралия (Australia), Австрия (Austria), Азербайджан, Албания (Albania), Алжир (Algeria), Ангилья, Ангола, Антигуа и Барбуда, Аргентина (Argentina), Аруба, Багамские острова, Бангладеш, Барбадос, Бахрейн, Белиз, Бельгия (Belgium), Бенин, Бермуды, Болгария (Bulgaria), Боливия, Бонайре, Синт-Э. и Саба, Босния и Герцеговина (Bosnia and Herzegovina), Ботсвана, Бразилия (Brazil), Британские Виргинские Острова, Бруней Даруссалам, Буркина Фасо, Бурунди, Бутан, Вьетнам (Vietnam), Вануату, Ватикан, Венесуэла, Армения, Габон, Гайана, Гаити, Гамия, Гамбия, Гана, Гватемала, Гвинея, Гибралтар, Гондурас, Гонконг, Гренада, Гренландия (Greenland), Греция (Greece), Грузия (Georgia), Дания (Denmark), Демократическая Республика Конго, Джерси, Джибути, Доминика, Доминиканская Республика, Эквадор, Эсватин, Эстония (Estonia), Эфиопия (Ethiopia), Египет (Egypt), Замбия, Зимбабве (Zimbabwe), Иордания Индонезия, Ирландия (Ireland), Исландия (Iceland), Испания (Spain), Италия (Italy), Кабо-Верде, Казахстан (Kazakhstan), Каймановы острова, Камбоджа, Камерун, Канада (Canada), Катар, Кения, Кыргызстан, Китай (China), Кипр (Cyprus), Кирибати, Колумбия (Colombia), Коморские острова, Конго, Корея (Республика) (Korea Rep.), Коста-Рика, Кот-д'Ивуар, Куба, Кувейт, Кюрасао, Лаос, Латвия (Latvia), Лесото, Литва (Lithuania), Либерия, Ливан, Ливия, Лихтенштейн, Люксембург, Мьянма, Маврикий, Мавритания, Мадагаскар, Макао, Малави, Малайзия, Мали, Мальдивы, Мальта, Марокко (Morocco), Мексика (Mexico), Мозамбик, Молдова (Moldova), Монако, Монако, Намибия, Науру, Непал, Нигер, Нигерия (Nigeria), Нидерланды (Netherlands), Германия (Germany), Новая Зеландия (New Zealand), Новая Каледония, Норвегия (Norway), ОАЭ (UAE), Оман, Острова Кука, Пакистан, Палестина, Панама, Папуа Новая Гвинея, Парагвай, Перу, Южная Африка, Польша (Poland), Португалия (Portugal), Республика Чад, Руанда, Румыния (Romania), Сальвадор, Самоа, Сан-Марино, Саудовская Аравия (Saudi Arabia), Свазиленд, Сейшельские острова, Сенегал, Сент-Винсент и Гренадины, Сент-Китс и Невис, Сент-Люсия, Сербия (Serbia), Сингапур (Singapore), Синт-Мартен, Словакия (Slovakia), Словения (Slovenia), Соломоновые острова, Соединенное Королевство Великобритании и Северной Ирландии (United Kingdom of Great Britain and Northern Ireland), Судан, Суринам, Восточный Тимор (Тимор-Лешти), США (USA), Сьерра-Леоне, Таджикистан, Тайвань (Taiwan), Таиланд (Thailand), Танзания (Объединенная Республика), Того, Тонга, Тринидад и Тобаго, Тувалу, Тунис (Tunisia), Турция (Turkey), Туркменистан, Уганда, Венгрия (Hungary), Узбекистан, Уругвай, Фарерские острова, Фиджи, Филиппины (Philippines), Финляндия (Finland), Франция (France), Французская Полинезия, Хорватия (Croatia), Центральноафриканская Республика, Чешская Республика (Czech Republic), Чили, Черногория (Montenegro), Швейцария (Switzerland), Швеция (Sweden), Шри-Ланка, Ямайка, Япония (Japan).
Иногда клиенты могут вводить название нашего интернет магазина или официальный сайт неправильно - например, западпрыбор, западпрылад, западпрібор, западприлад, західприбор, західпрібор, захидприбор, захидприлад, захидпрібор, захидпрыбор, захидпрылад. Правильно - западприбор.
Наш технический отдел осуществляет ремонт и сервисное обслуживание измерительной техники более чем 75 разных заводов производителей бывшего СССР и СНГ. Также мы осуществляем такие метрологические процедуры: калибровка, тарирование, градуирование, испытание средств измерительной техники.
Если Вы можете сделать ремонт устройства самостоятельно, то наши инженеры могут предоставить Вам полный комплект необходимой технической документации: электрическая схема, ТО, РЭ, ФО, ПС. Также мы располагаем обширной базой технических и метрологических документов: технические условия (ТУ), техническое задание (ТЗ), ГОСТ, отраслевой стандарт (ОСТ), методика поверки, методика аттестации, поверочная схема для более чем 3500 типов измерительной техники от производителя данного оборудования. Из сайта Вы можете скачать весь необходимый софт (программа, драйвер) необходимый для работы приобретенного устройства.
Также у нас есть библиотека нормативно-правовых документов, которые связаны с нашей сферой деятельности: закон, кодекс, постановление, указ, временное положение.


