|
Цена:
по запросу
Информация о товаре обновлена 14 апреля 2026 года.
Цена и сроки поставки зависят от запрашиваемого количества.
Актуальную информацию уточняйте в нашем отделе продаж.
Информация о товаре обновлена 14 апреля 2026 года.
Цена и сроки поставки зависят от запрашиваемого количества.
Актуальную информацию уточняйте в нашем отделе продаж.
Технические характеристики
Пример заказа: куплю 04КН010 - 9 шт.
Для обратной связи, не забудьте указать Ваши контактные данные и/или реквизиты предприятия.
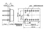
Коммутатор напряжения 04КН010
Также это изделие может называться: 04 КН 010, 04-КН-010, 04kn010, 04 kn 010, 04-kn-010, 04kn010.
04КН010 коммутатор напряжения предназначен для коммутации напряжения в измерительной аппаратуре, в таких приборах как вольтметры.
Изделие может применяться в вольтметрах В7-34, радиоэлектронной аппаратуре в качестве коммутатора напряжения на полевых транзисторах и осциллографах.
Также на сайте zapadpribor.com представлены похожие микросхемы.
Технические характеристики 04КН010:
Коммутируемое напряжение - не более 25 В.
Напряжение отсечки транзисторов - не более 1,4 В.
Наработка на отказ - 10 000 ч.
Ток утечки затворов транзисторов T1, T2, Т4, Т6, Т7 - не более 5∙10-11 А.
Ток утечки затворов транзисторов Т3, Т5 - не более 10∙10-11 А.
Коммутаторы 04КН010 выполнены по толстопленочной технологии на базе кристаллов 2П303А и 2П303Г и первоначально упаковывалась в нестандартный бакелитовый корпус, а впоследствии в металлостеклянный корпус.
Условия эксплуатации 04КН010:
Температура окружающего воздуха - от -5° С до +60° С.
Относительная влажность при +45° С - до 80%.
Атмосферное давление - от 84 до 107 кПа.
Описание на коммутатор 04КН010 создано ООО «ЗАПАДПРИБОР» и добавлено на сайт zapadpribor.com. Использовать данный материал можно только с письменного разрешения правообладателя; указание ссылки на данную страницу zapadpribor.com/04kn010/ обязательно.
Вся текстовая и графическая информация на сайте несет информативный характер. Цвет, оттенок, материал, геометрические размеры, вес, содержание, комплект поставки и другие параметры товара представленого на сайте могут изменяться в зависимости от партии производства и года изготовления. Более подробную информацию уточняйте в отделе продаж.
Ведущий интернет-магазин Западприбор - это огромный выбор измерительного оборудования по лучшему соотношению цена и качество. Чтобы Вы могли купить приборы недорого, мы проводим мониторинг цен конкурентов и всегда готовы предложить более низкую цену. Мы продаем только качественные товары по самым лучшим ценам. На нашем сайте Вы можете дешево купить как последние новинки, так и проверенные временем приборы от лучших производителей.
На сайте постоянно действует акция «Куплю по лучшей цене» - если на другом интернет-ресурсе (доска объявлений, форум, или объявление другого онлайн-сервиса) у товара, представленного на нашем сайте, меньшая цена, то мы продадим Вам его еще дешевле! Покупателям также предоставляется дополнительная скидка за оставленный отзыв или фотографии применения наших товаров.
В прайс-листе указана не вся номенклатура предлагаемой продукции. Цены на товары, не вошедшие в прайс-лист можете узнать, связавшись с менеджерами. Также у наших менеджеров Вы можете получить подробную информацию о том, как дешево и выгодно купить измерительные приборы оптом и в розницу. Телефон и электронная почта для консультаций по вопросам приобретения, доставки или получения скидки приведены возле описания товара. У нас самые квалифицированные сотрудники, качественное оборудование и выгодная цена.
Интернет магазин Западприбор - официальный дилер заводов изготовителей измерительного оборудования. Наша цель - продажа товаров высокого качества с лучшими ценовыми предложениями и сервисом для наших клиентов. Наш интернет магазинможет не только продать необходимый Вам прибор, но и предложить дополнительные услуги по его поверке, ремонту и монтажу. Чтобы у Вас остались приятные впечатления после покупки на нашем сайте, мы предусмотрели специальные гарантированные подарки к самым популярным товарам.
Вы можете оставить отзывы на приобретенный у нас прибор, измеритель, устройство, индикатор или изделие. Ваш отзыв при Вашем согласии будет опубликован на официальном сайте без указания контактной информации.
Интернет-магазин принимаем активное участие в таких процедурах как электронные торги, тендер, аукцион.
При отсутствии на официальном сайте в техническом описании необходимой Вам информации о приборе Вы всегда можете обратиться к нам за помощью. Наши квалифицированные менеджеры уточнят для Вас технические характеристики на прибор из его технической документации: инструкция по эксплуатации, паспорт, формуляр, руководство по эксплуатации, схемы. При необходимости мы сделаем фотографии интересующего вас прибора, стенда или устройства.
Описание на приборы взято с технической документации или с технической литературы. Большинство фото изделий сделаны непосредственно нашими специалистами перед отгрузкой товара. В описании устройства предоставлены основные технические характеристики приборов: номинал, диапазон измерения, класс точности, шкала, напряжение питания, габариты (размер), вес. Если на сайте Вы увидели несоответствие названия прибора (модель) техническим характеристикам, фото или прикрепленным документам - сообщите об этом нам - Вы получите полезный подарок вместе с покупаемым прибором.
При необходимости, уточнить общий вес и габариты или размер отдельной части измерителя Вы можете в нашем сервисном центре. Наши инженеры помогут подобрать полный аналог или наиболее подходящую замену на интересующий вас прибор. Все аналоги и замена будут протестированы в одной с наших лабораторий на полное соответствие Вашим требованиям.
Основная особенность нашего интернет магазина проведение объективных консультаций при выборе необходимого оборудования. У нас работают около 20 высококвалифицированных специалистов, которые готовы ответить на все ваши вопросы.
В технической документации на каждый прибор или изделие указывается информация по перечню и количеству содержания драгметаллов. В документации приводится точная масса в граммах содержания драгоценных металлов: золото Au, палладий Pd, платина Pt, серебро Ag, тантал Ta и другие металлы платиновой группы (МПГ) на единицу изделия. Данные драгметаллы находятся в природе в очень ограниченном количестве и поэтому имеют столь высокую цену. У нас на сайте Вы можете ознакомиться с техническими характеристиками приборов и получить сведения о содержании драгметаллов в приборах и радиодеталях производства СССР. Обращаем ваше внимание, что часто реальное содержание драгметаллов на 10-25% отличается от справочного в меньшую сторону! Цена драгметаллов будет зависить от их ценности и массы в граммах.
Мы предлагаем быструю международную доставку практически во все страны мира: Австралия (Australia), Австрия (Austria), Азербайджан, Албания (Albania), Алжир (Algeria), Ангилья, Ангола, Антигуа и Барбуда, Аргентина (Argentina), Аруба, Багамские острова, Бангладеш, Барбадос, Бахрейн, Белиз, Бельгия (Belgium), Бенин, Бермуды, Болгария (Bulgaria), Боливия, Бонайре, Синт-Э. и Саба, Босния и Герцеговина (Bosnia and Herzegovina), Ботсвана, Бразилия (Brazil), Британские Виргинские Острова, Бруней Даруссалам, Буркина Фасо, Бурунди, Бутан, Вьетнам (Vietnam), Вануату, Ватикан, Венесуэла, Армения, Габон, Гайана, Гаити, Гамия, Гамбия, Гана, Гватемала, Гвинея, Гибралтар, Гондурас, Гонконг, Гренада, Гренландия (Greenland), Греция (Greece), Грузия (Georgia), Дания (Denmark), Демократическая Республика Конго, Джерси, Джибути, Доминика, Доминиканская Республика, Эквадор, Эсватин, Эстония (Estonia), Эфиопия (Ethiopia), Египет (Egypt), Замбия, Зимбабве (Zimbabwe), Иордания Индонезия, Ирландия (Ireland), Исландия (Iceland), Испания (Spain), Италия (Italy), Кабо-Верде, Казахстан (Kazakhstan), Каймановы острова, Камбоджа, Камерун, Канада (Canada), Катар, Кения, Кыргызстан, Китай (China), Кипр (Cyprus), Кирибати, Колумбия (Colombia), Коморские острова, Конго, Корея (Республика) (Korea Rep.), Коста-Рика, Кот-д'Ивуар, Куба, Кувейт, Кюрасао, Лаос, Латвия (Latvia), Лесото, Литва (Lithuania), Либерия, Ливан, Ливия, Лихтенштейн, Люксембург, Мьянма, Маврикий, Мавритания, Мадагаскар, Макао, Малави, Малайзия, Мали, Мальдивы, Мальта, Марокко (Morocco), Мексика (Mexico), Мозамбик, Молдова (Moldova), Монако, Монако, Намибия, Науру, Непал, Нигер, Нигерия (Nigeria), Нидерланды (Netherlands), Германия (Germany), Новая Зеландия (New Zealand), Новая Каледония, Норвегия (Norway), ОАЭ (UAE), Оман, Острова Кука, Пакистан, Палестина, Панама, Папуа Новая Гвинея, Парагвай, Перу, Южная Африка, Польша (Poland), Португалия (Portugal), Республика Чад, Руанда, Румыния (Romania), Сальвадор, Самоа, Сан-Марино, Саудовская Аравия (Saudi Arabia), Свазиленд, Сейшельские острова, Сенегал, Сент-Винсент и Гренадины, Сент-Китс и Невис, Сент-Люсия, Сербия (Serbia), Сингапур (Singapore), Синт-Мартен, Словакия (Slovakia), Словения (Slovenia), Соломоновые острова, Соединенное Королевство Великобритании и Северной Ирландии (United Kingdom of Great Britain and Northern Ireland), Судан, Суринам, Восточный Тимор (Тимор-Лешти), США (USA), Сьерра-Леоне, Таджикистан, Тайвань (Taiwan), Таиланд (Thailand), Танзания (Объединенная Республика), Того, Тонга, Тринидад и Тобаго, Тувалу, Тунис (Tunisia), Турция (Turkey), Туркменистан, Уганда, Венгрия (Hungary), Узбекистан, Уругвай, Фарерские острова, Фиджи, Филиппины (Philippines), Финляндия (Finland), Франция (France), Французская Полинезия, Хорватия (Croatia), Центральноафриканская Республика, Чешская Республика (Czech Republic), Чили, Черногория (Montenegro), Швейцария (Switzerland), Швеция (Sweden), Шри-Ланка, Ямайка, Япония (Japan).
Иногда клиенты могут вводить название нашего интернет магазина или официальный сайт неправильно - например, западпрыбор, западпрылад, западпрібор, западприлад, західприбор, західпрібор, захидприбор, захидприлад, захидпрібор, захидпрыбор, захидпрылад. Правильно - западприбор.
Наш технический отдел осуществляет ремонт и сервисное обслуживание измерительной техники более чем 75 разных заводов производителей бывшего СССР и СНГ. Также мы осуществляем такие метрологические процедуры: калибровка, тарирование, градуирование, испытание средств измерительной техники.
Если Вы можете сделать ремонт устройства самостоятельно, то наши инженеры могут предоставить Вам полный комплект необходимой технической документации: электрическая схема, ТО, РЭ, ФО, ПС. Также мы располагаем обширной базой технических и метрологических документов: технические условия (ТУ), техническое задание (ТЗ), ГОСТ, отраслевой стандарт (ОСТ), методика поверки, методика аттестации, поверочная схема для более чем 3500 типов измерительной техники от производителя данного оборудования. Из сайта Вы можете скачать весь необходимый софт (программа, драйвер) необходимый для работы приобретенного устройства.
Также у нас есть библиотека нормативно-правовых документов, которые связаны с нашей сферой деятельности: закон, кодекс, постановление, указ, временное положение.


